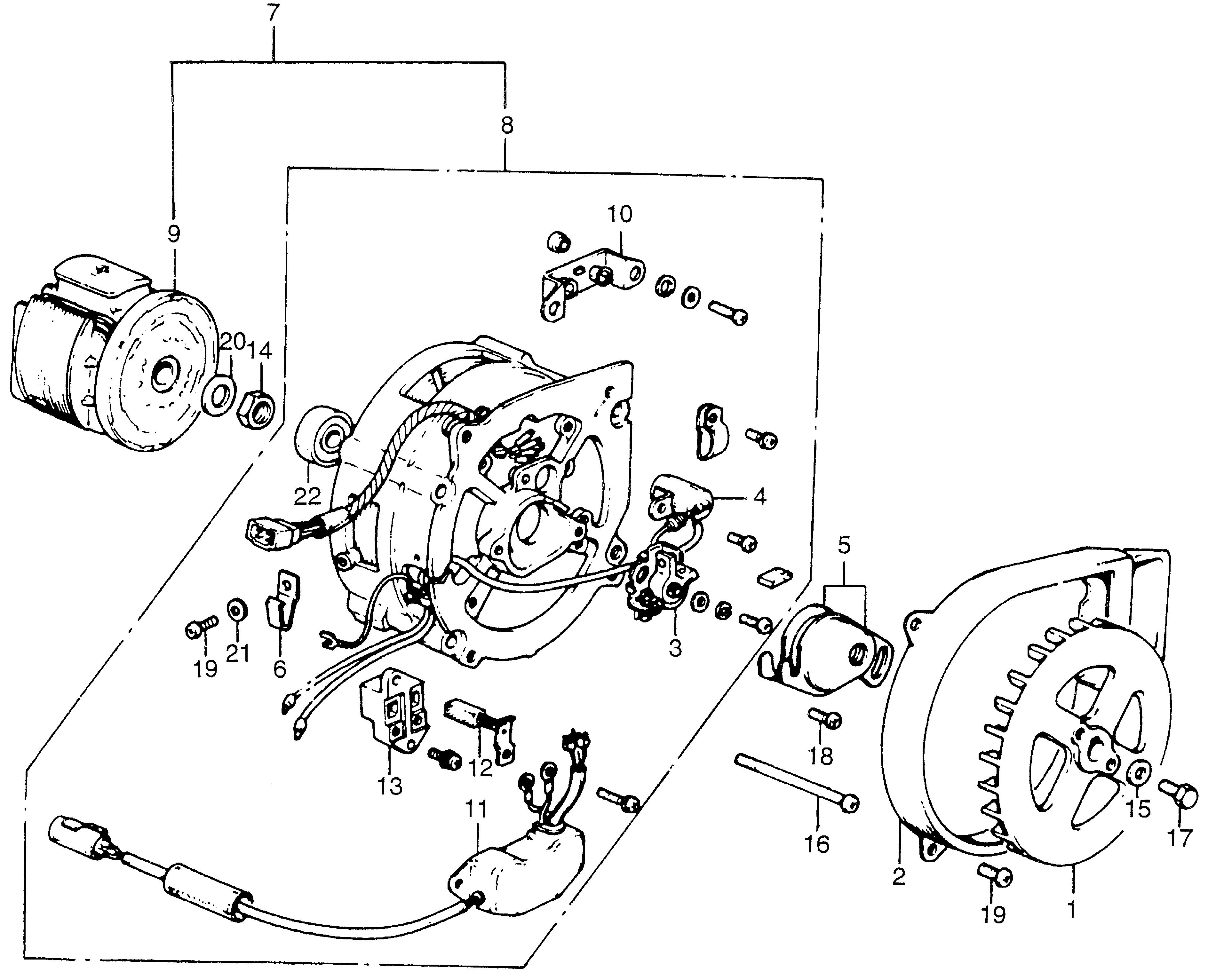
Generators EM EM400 EM400 A EM400-1000001-9999999 EM400 ALTERNATOR@POINTS - The Power Shop

Ref No
Part Number
Description
Serial Range
Qty
Price

Ref No
1
Part Number
22171-884-004
Description
FAN, ALTERNATOR COOLING (NOT AVAILABLE)
Serial Range
1000001 - 9999999

Ref No
2
Part Number
22180-870-020
Description
COVER, ALTERNATOR FAN
Serial Range
1000001 - 9999999

Ref No
3
Part Number
30202-870-003
Description
POINTS ASSY. (NOT AVAILABLE)
Serial Range
1000001 - 9999999

Ref No
4
Part Number
30203-870-003
Description
CONDENSER ASSY., IGNITION (NOT AVAILABLE)
Serial Range
1000001 - 9999999

Ref No
5
Part Number
30210-870-000
Description
COVER ASSY., POINTS (NOT AVAILABLE)
Serial Range
1000001 - 9999999

Ref No
6
Part Number
30564-848-000
Description
CLAMP, WIRE
Serial Range
1000001 - 9999999

Ref No
7
Part Number
31100-870-023
Description
ALTERNATOR ASSY.
Serial Range
1000001 - 9999999

Ref No
8
Part Number
31150-870-003
Description
STATOR ASSY., ALTERNATOR
Serial Range
1000001 - 9999999

Ref No
9
Part Number
31160-870-013
Description
ROTOR
Serial Range
1000001 - 9999999

Ref No
10
Part Number
31700-870-003
Description
DIODE ASSY., D.C. OUT (NOT AVAILABLE)
Serial Range
1000001 - 9999999

Ref No
11
Part Number
32350-870-013
Description
REGULATOR, AUTOMATIC VOL TAGE (NOT AVAILABLE)
Serial Range
1000001 - 9999999

Ref No
12
Part Number
39140-870-003
Description
BRUSH (NOT AVAILABLE)
Serial Range
1000001 - 9999999

Ref No
13
Part Number
39150-870-013
Description
HOLDER, BRUSH (NOT AVAILABLE)
Serial Range
1000001 - 9999999

Ref No
14
Part Number
90201-836-000
Description
NUT, SPECIAL (14MM)
Serial Range
1000001 - 9999999

Ref No
15
Part Number
90474-704-000
Description
WASHER
Serial Range
1000001 - 9999999
Qty
Price
$1.82

Ref No
16
Part Number
90604-870-000
Description
BOLT, ALTERNATOR SET (NOT AVAILABLE)
Serial Range
1000001 - 9999999

Ref No
17
Part Number
92101-06012-0A
Description
BOLT, HEX. (6X12)
Serial Range
1000001 - 9999999
Qty
Price
$1.72

Ref No
18
Part Number
93500-04008-0A
Description
SCREW, PAN (4X8)
Serial Range
1000001 - 9999999
Qty
Price
$1.06

Ref No
19
Part Number
93500-05010-0A
Description
SCREW, PAN (5X10)
Serial Range
1000001 - 9999999
Qty
Price
$1.10

Ref No
20
Part Number
94102-14000
Description
WASHER, PLAIN (14MM)
Serial Range
1000001 - 9999999
Qty
Price
$0.80

Ref No
21
Part Number
94111-05000
Description
WASHER, SPRING (5MM)
Serial Range
1000001 - 9999999
Qty
Price
$1.38

Ref No
22
Part Number
96150-60010-10
Description
BEARING, RADIAL BALL (6001UU)
Serial Range
1000001 - 9999999
Qty
Price
$29.32